Back / Tillbaka Home / Hem

Ur Populär Radio och Television 3 1954

George W Pierce


George Washington Pierce är en framstående amerikansk fysiker, som tillhör radions äldsta pionjärer. Han har gjort en betydelsefull insats som lärare; nära 40 år har han undervisat vid Harvard-universitetet som professor i telekommunikation. Pierce föddes 1872 i Webberville, Texas. Sin första utbildning fick han vid Texas-universitetet. Efter att ha genomgått Harvard och avslutat studierna vid Leipzigs universitet anställdes han som assistent vid Harvard, 1903. 1917 blev han professor vid samma berömda universitet, och det sägs om Pierce, att han utbildat flera framstående ingenjörer än någon annan i världen. Han krävde grundliga kunskaper i matematik och fysik och överlät ofta åt studenterna att själva finna den praktiska lösningen av de tekniska problemen, sedan de av honom fått det teoretiska underlaget. 1943 fick han Franklin-medaljen, och ett utdrag av motiveringen härför utgör en sammanfattning av hans insatser på det radiotekniska området.


George Washington Pierce

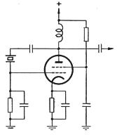
'Genom sina studenter har Pierce utövat lika stort inflytande på telekommunikationens utveckling som genom sina uppfinningar. Hans kurser i radiotelegrafi och elektromagnetiska svängningar var de första i sitt slag och var normgivande för liknande kurser vid andra universitet. Hans tekniska undersökningar har varit omfattande och mångskiftande: han har utvecklat kristalldetektorn, genomfört matematiska beräkningar av antenners strålningsegenskaper, han har uppfunnit kvicksilverlikriktaren, ur vilken tyratronröret senare utvecklades, och uppfann en metod att överföra ljud till film. Han har vidare arbetat med elektriska filter och med metoder för undervattenssignalering och lokalisering av ubåtar. Hans viktigaste och mest spridda uppfinning torde dock vara kristalloscillatorn, som han uppfann 1923. Denna anordning användes i radiosändare för att noggrant kontrollera frekvensen.


Principschema för kristallstyrd oscillator enligt Pierce.

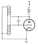
Miljontals sådana oscillatorer är nu i bruk. Pierce har också gjort viktiga grundläggande undersökningar beträffande magnetostriktiva fenomen i järnlegeringar. Han har publicerat femtio vetenskapliga skrifter, två läroböcker, som behandla elektriska svängningar och uttagit 50 patent.' Magnetostriktionsoscillatorn grundar sig på ett järnstyckes egenskap att vid magnetisering minska sin dimension i magnetiseringsriktningen och öka den i de mot denna vinkelräta riktningarna. Det är ett fenomen som har beröringspunkter med den piezoelektriska effekten. Med magnetostriktionsoscillatorn kan ultrasonora svängningar alstras, dvs. svängningar med frekvenser mellan 10 och 100 kp/s. Pierce använde denna metod för undervattenssignalering första gången år 1925. (N.E.L.)


Principschema för magnetostriktionsoscillator enligt Pierce.