Back / Tillbaka Home / Hem

Ur Populär Radio och Television 4 1954

Edwin Henry Colpitts


Edwin Colpitts föddes den 19 januari 1872 och tillhör samma generation som Pierce.
Han grundlade sin utbildning vid Harvard-universitetet, där han var assistent 1897..1899 och tog därefter anställning som ingenjör i American Telegraph and Telephone Co. Där stannade han till 1907, då han knöts till Western Electric's forskarstab. Han avancerade där till chefingenjörens assistent. Colpitts stannade vid Western Electric i 17 år till 1924, då han återvände till American Telegraph and Telephone Co, nu som vicepresidentens assistent. 1934 kom Colpitts till Bell Telephone som vicepresident. 1937 drog han sig tillbaka, men då USA kom med i andra världskriget, ställde sig Colpitts åter till sitt lands förfogande. Under hela kriget, 1941..1946, var han medlem av National Defense Research, Division 6. Militär telekommunikation var Colpitts inte främmande för.


Edwin Henry Colpitts

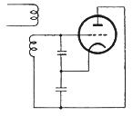
Under första världskriget studerade han detta specialgebit både i Amerika och Europa under åren 1917 och 1918. 24 amerikanska patent har tillerkänts Colpitts, huvudsakligen inom telefontekniken. Hans författarskap har också huvudsakligen ägnats detta kommunikationsmedel. Hans namn är kanske mest känt i samband med den s.k. Colpitts-oscillatorn. Alldeles som i Hartley-oscillatorn utnyttjar man här det förhållandet att galler- och anodväxelspänningen skall ha motsatt fas för att svängningarna skall vidmakthållas. Anod- och galleruttagen anslutes därför i motsatta ändpunkter av svängningskretsen.


Förenklat principschema för en Colpitts-oscillator

I Colpitts-oscillatorn har man emellertid kapacitiv spänningsdelning, medan Hartley- oscillatorn utnyttjar induktiv spänningsdelning. (N E L)